+ 7 (499) 110-6245
+ 7 (495) 491-0120
пн-пт: 8.30 - 17.00
г. Москва, ул. Планетная, д. 29
Корзина пуста
0 товар(а) 0,00 р.
JF0625B2H--R Вентилятор 24В, 60х60х25 мм, подшипник качения, разъем 2 контакта (тип 5239-02/PHU-2), JAMICON
Информация для заказа
Код для заказа - 00024609 Производитель - JAMICON Артикул производителя - JF0625B2H-001C066R Мин. кол-во для заказа - 1 шт Количество: на складе / в пути - 428 / 0 шт
Цена за шт -351,09 руб.
Технические характеристики

Номинальное напряжение - 24 В
Номинальная мощность - 2.88 Вт
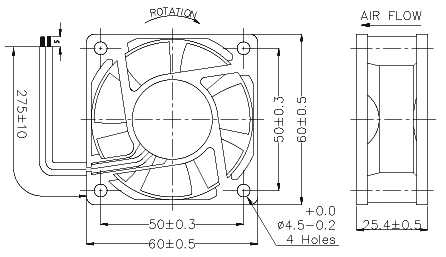
Размер - 60x60x25 мм
Подшипник - Качения (двойной шариковый подшипник)
Частота вращения - 4500 об./мин
Производительность - 36.65 м3/час
Уровень шума - 34.5 дБ
Подключение питания - Разъем двухконтактный типа 5239-02/PHU-2

Габаритный чертеж

^ Наверх